Features:
- Output constant voltage
- Universal AC input:100-265VAC
- Built-in active PFC function
- High efficiency up to 87%
- Protections: Short circuit/Over current/Over loading
- Cooling by free air convection
- IP66 design for indoor or outdoor installation
- Class 1 power unit
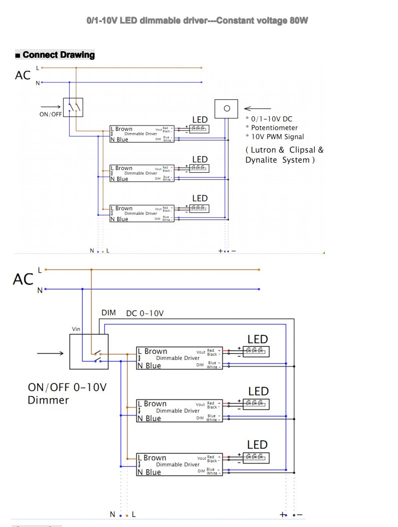
- Three in one dimming function(0/1-10Vdc or PWM signal or resistance)
- Dimming range: 0-100%
- Suitable for LED lighting and moving sign applications
- Compliance to worldwide safety regulations for lighting
- 5 years warranty




